什麼是內漸進鏡片FFi系列?
  什麼是FF-iQ?
初學者可以使用的漸進鏡片
FF-iQ(眼球提示)是一種漸進雙焦點內面鏡片,是“ FFi系列”的基本設計,通過穩定表面曲線,顯著提高了內部漸進設計的自由度。 它具有平滑的光焦度變化,可將漸進鏡片特有的“波動”和“失真”降至最低,並且設計成即使是從未使用過漸進鏡片的初學者也可以輕鬆適應。
FF-iQ的功能
1 成功減少不必要的散光(模糊)。
2 周邊散光產生平滑的漸變,因此光焦度平滑變化。
3 光滑的外圍部件受到抑制,因此,即使是具有漸進鏡片的初學者也可以得到高度認可。
4 累進帶可以從11mm / 13mm / 15mm中選擇。
5 可以通過個人化設計來增強雙眼視覺(可選)。
  可從三種類型的累進帶長度中選擇適合框架尺寸
與傳統的漸變鏡片※(SPH 0.00 / ADD 2.00)比較※我們的比率/插圖是圖像
○15毫米漸進區
常規漸進鏡片(15mm)
FF-iQ(15毫米)
推薦的上下寬度:33mm至37mm
最小上下寬度:31mm
適合較大框架的累進帶長度。
其特點是從遠場到近場的度數變化緩和。
○13毫米漸進區
常規漸進鏡片(13mm)
FF-iQ(13毫米)
推薦的上下寬度:31mm至35mm
最小上下寬度:29mm
累進帶長度適用於上下寬度為31mm至35mm的框架
與傳統的漸進鏡片相比,中間範圍(漸進區的屈光度變化範圍)得到了廣泛改善。
○11毫米漸進區
常規漸進鏡片(11mm)
FF-iQ(11毫米)
推薦的上下寬度:29mm至32mm
最小上下寬度:27mm
適合較小框架的累進帶長度。
因為從遠場到近場的旋轉距離短,所以特徵在於可以容易地移動視線。
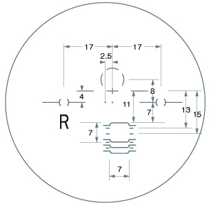
  FF-iQ產品數據
(SPH 0.00/ADD 2.00/長度13mm)
(鏡片標記1.60)
(鏡片設計)
FF-iQ 74 basic
屈折率1.74
設計圖iQ漸進設計
漸進區11 / 13 / 15毫米
加盟0.75 - 3.50
防紫外線標準裝備
曲線名稱5 / 4 / 2
自訂設定可能的(*)
FF-iQ 67 basic
屈折率1.67
設計圖iQ漸進設計
漸進區11 / 13 / 15毫米
加盟0.75 - 3.50
防紫外線標準裝備
曲線名稱6 / 5 / 4 / 3
自訂設定可能的(*)
FF-iQ 60 basic
屈折率1.60
設計圖iQ漸進設計
漸進區11 / 13 / 15毫米
加盟0.75 - 3.50
防紫外線標準裝備
曲線名稱6 / 4 / 2
自訂設定可能的(*)
FF-iQ 56 basic
屈折率1.56
設計圖iQ漸進設計
漸進區11 / 13 / 15毫米
加盟0.75 - 3.50
防紫外線標準裝備
曲線名稱8 / 6 / 4 / 3
自訂設定可能的(*)
對應膜層
功能選項
FF-iQ56注意事項
儘管由於紫外線吸收劑的作用而無色,但鍍膜的顏色看起來是淡藍色紫色。

個人化(Custom)
□可以設置漸進區長度10mm / 11mm / 12mm / 13mm / 14mm / 15mm / 16mm。
□通過輸入各種數值來增強雙眼視力。□自動計算出最佳厚度。
注意事項
□與傳統的中距和近距漸進鏡片相比,該鏡片在設計上可以減少橫向變形和扭曲,但是如果您不習慣其外觀,則可能會感覺到變形和扭曲。
□請勿用於需要廣角觀看的活動,例如開車或運動。